 |
 |
| A. TEST E-SERIES MOP SKIMMER OIL RECOVERY SYSTEM(E 시리즈 형 MOP을 이용한 기름 회수 장치) |
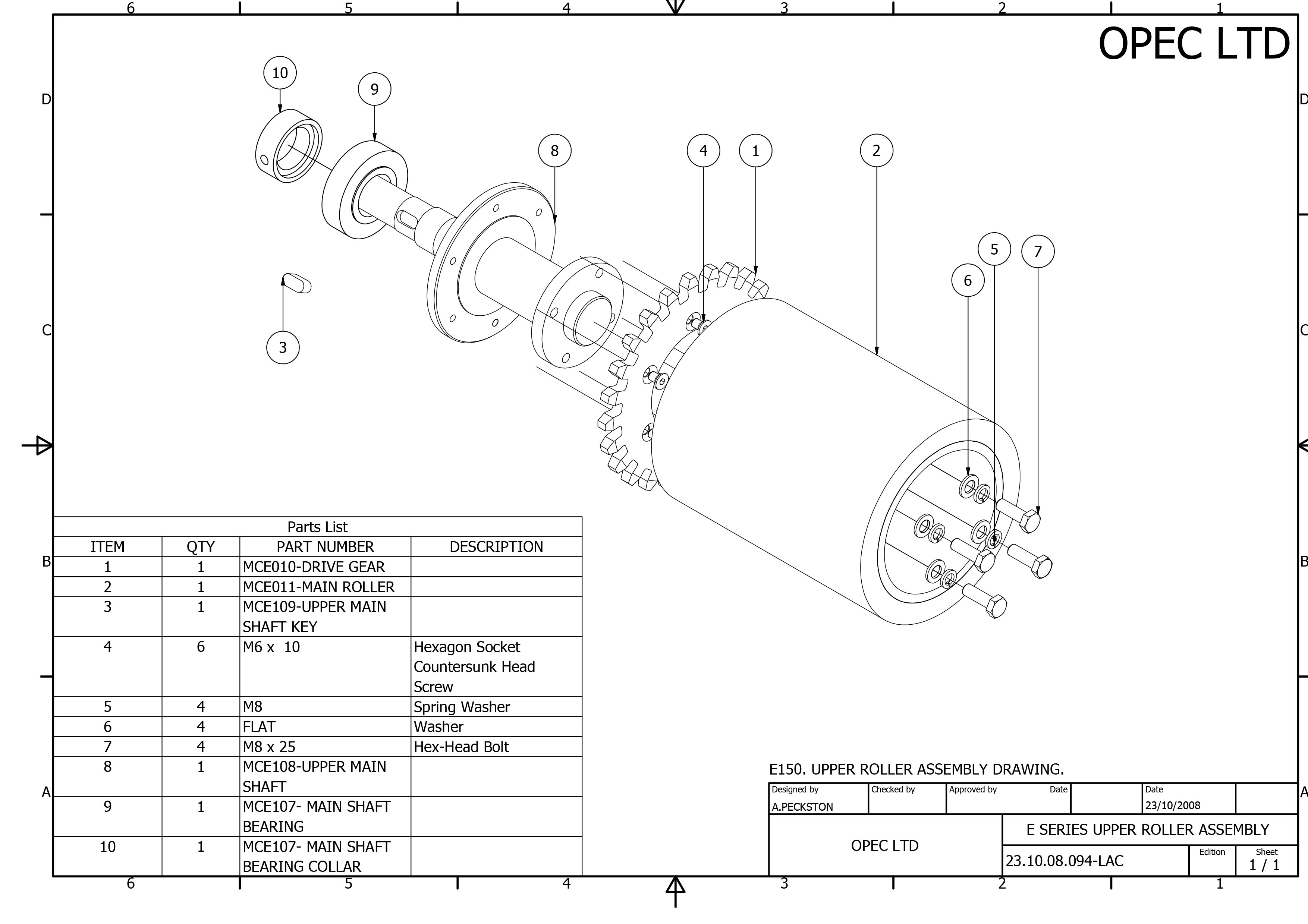
| 1. EXTRACTOR(기름 추출 장치) |
|
|
|
ITEM
|
DESCRIPTION
|
|
용 도
|
|
1
|
E-Series 100(최대 회수 용량= 2.4 톤/시간)
Mop driver/기름 추출기 set. Electric Motor= 220V/440V, 0.37KW 3PH, 60HZ, IP55, Main body= stainless AISI 304
Finish= Bead Blast Mat Finish, Roller=steel core Polyurethane covering high density |
|
파이프 공장, 발전소,
식품공장. 일반 산업체
소형 시추공 |
E-Series 150 (최대 회수 용량= 4 톤/시간)
Mop drive/기름 추출기 set, Electric Motor=220v/440v,
0.4kw, 3PH, 60HZ, IP55, Main Body= stainless AISI304,
Finish=Bead Blast Mat Finish, Toller=steel core Polyurethane covering high density,
Exed IIB T4(방폭형 모터로 ZONE 1에 적용) |
제철소, 파이프 공장, 버터
공장, 발전소, 정유 공장,
공항 |
E-Series 200 (최대 회수 용량= 6 톤-12톤/시간)
타 기관은 동일, 단지 Motor의 용량= 0.75kw- 1.5kw 사용
|
깊은 시추공, 바닷가,
lagoon, 바다 바지 setting oil skimmer |
|
|
 |
|
|
 |
|
ITEM
|
DESCRIPTION
|
|
용 도
|
|
2
|
ST-5 - oil/water separator conveyor and oil steaming reservoir fitted with 1.5 인치 steam piping and 35 degree angle stainless steel baffle plate. 스팀에 melting 된 기름/스러지를 임시 저장하고 서서히 중간 탱크에 전달을 유도하는 tank.
재질: 스테인레스 Mat Finish. 용량; 130-180 리터 |
|
제철소, 일반 산단, 식품공장, 주로 E-100 및 E-150 SERIES와 연결됨 |
| ST-25 - oil/water separator conveyor, 모든 다른 사항은 동일, 용량; 250 -300 리터 까지 사용 |
바다 및 LAGOON등 옥외 대형POND사용
E-200 과 연결 사용 |
|
|
 |
|
|
 |
|
ITEM
|
DESCRIPTION
|
|
용 도
|
|
3
|
CMF 6 STD RL(가볍고, 묽은 기름 수거 시에 사용됨)
기름 흡수 MOP의 폭이 6 인치이며, 흰색 Long
Ready Looped. 제질; polypropylene.153g/m, 운전 온도; 80 도 C, 24시간/하루, 7일/일주일 사용시; 8개월 수명, 스케줄 운전시; 12개월 사용, Melting 온도; 130 도C, 배치 방법; 수직 혹은 수평 |
|
제철소의 연주 설비, 냉연, 후판 등의 THICKENER에 사용함, 식품공장, 공항 PIT |
CMF 6 XD RL(무거운 중유나, 그리스와 윤활유 및 SCALE이 함유된 점도가 높은 기름 수거 시 사용됨)
모든 재질 동일
MOP사양: 4 인치 CMF4XD MOP사양: 5 인치 CMF5XD
MOP사양; 6 인치 Black Long Ready Looped, scale 과 기름 스러지 동시 사용시 8개월 수명 |
제철소의 열연, 후판 및 냉연 SCALE PIT, SCLAE 이나 합성세제가 다량 함유된 기름 수거 시 |
| CMF 6 XD RL, 9인치 폭의 BLACK LONG |
Lagoon 및 바다 area |
|
|
 |
| 4. GUIDE ROLLER(MOP의 안내 장치) |
|
|
 |
|
ITEM
|
DESCRIPTION
|
|
용 도
|
|
4
|
GR 6 STD; 600 mm roller/ frame 1000 mm
GR 6- RD; 1000 mm roller/frame 1500 mm
GR 6- XD; 1500 mm roller/frame 2000 mm
공통 사항: 스테인리스 스틸 박스 frame, sprung connection to apprx. 150 mm Dia. 고정 connector에 폴리 프로필렌을 채워서 부유식이 됨,
수평 식 고정 설치; 최소 2개의 Guide Roller필요.
수면의 차이가 60cm; 보통 frame 1000 mm 사용
수면의 차이가 100cm; frame 1500- 2000 mm사용
|
|
제철소 thickener; GR 6- frame 1000mm
제철소 scale pit; GR 6 frame 1500-2000 mm 사용
기타 산업 플랜트; GR 6-frame 1000 사용
식품공장; GR 6 frame 1000 mm 사용 |
FB 31B- Floating Pulley(호수나 연못의 기름 수거 시 설치됨)
아연도금 스틸 frame에 달린 open yoke와 회전식 mould 폴리프로필렌 pulley wheel이 조립되어 부유함. 전체는 expanded polypropylene 안정된 float라고 함, 수평 식 설치 시에는 Guide Roller 불필요함
|
호수나 연못 |
ORA(OUT RIGGER ARM, 두 개의 롤러가 부착된 장치)
Outrigger arm이 보통 1000 mm임. Outrigger에 moulded 회전식 두 개의 polypropylene pulley wheel이 부착됨,
수직 배치 시에 sliding 접합 용으로 사용되며, 깊은 scale pit나 배열상 3 가닥 이상의 mop의 운영 시에 mop상의 interface를 없애기 위해 사용함,
이 경우는 거의 Guide Roller가 3개 이상 사용됨, |
|
제철소의 SCALE PIT, DOWN COILER, 한정된 시추 공 및 제한된 공간 기름 수거 시 |
|
|
 |
| 5. OPTIONAL ACCESSORIES(부대 설비) |
|
|
 |
|
ITEM
|
DESCRIPTION
|
|
용 도
|
|
5
|
IDT-STD; 1.5 M3 - 2M3(집수정과 SKIMER가 가까운 곳에 중간 탱크로 설치. 유수분리가 불필요 시 사용)
IDT-XL; 3.5 M3(집수정과 SKIMMER의 거리가 멀고, 유수분리기를 내장 필요 시 사용)
공통 사항; 탱크내부에 기름 스러지의 전천후 점도 관리릉 위해서 Melting Purpose로 스팀 배관을 설치함.
이송 펌프와 연결되는 각종 inlet outlet manhole overflow hole, steam discharge, vent, debris screen basket가 포함됨.
펌프 까지의 이송 배관 포함됨,
점검용 계단 및 안전 핸드레일 포함
|
|
제철소, 일반 공장 시설 |
MOT-STD; 22 M3(집수정 교체 시 사용)
MOT-SD ; 13-14 M3(비교적 건물내의 협소한 곳의 집수정, DOWN COILER지역에 사용)
점검용 계단 및 안전 핸드레일 포함,
Water Discharge Line( valve 포함), Vent pipe, Manhole, Oil discharge Line for Collector.
Safety net, Emergency Hose( 필요 시)
|
|
제철소, 파이프 공장 및 일반 공장시설 |
PP-A; LUBE OIL FEED PUMP(EUROPE); THICKENER,
........CLARIFIER 의 기름 이송 시 사용
PP-B; AIR PUMP(USA); 제철소의 모든 분야에 사용하는 가장
........효율적이고 저렴하고 유지 보수가 용이한 펌프
PP-C; HOSE PUMP(GERMANY); 제철소 사용에 좋으나
........너무 비싼 게 흠임. 유지 보수도 어려움
통상, 지상 25 m 정도의 head 가 필요하며
펌핑하는 기름의 성상이 거의 그리스, 스케일 및 합성세제와 윤활유가 섞여있는 점도가 최고도인 스러지인관계로 펌프 선정에 유의가 필요함,
1 기는 stand by 1기는 상시 운전용, 총 해서 두 기가 필요함, 중간 탱크에서 펌프까지 스팀배관 필요함, 펌프에서 Main Tank 까지 모든 배관 시설 포함
|
|
제철소 및 일반 산업시설 |
| |
WP-A; 바람 심한 곳에 설치 |
|
야외 이용 skimmer |
|
|
 |
|
|
 |
|
ITEM
|
DESCRIPTION
|
|
잠정 사용회사
|
|
6
|
EL- A;
방수 및 방습만 요구하는 컨트롤 판넬 및 일반 케이블 사용, 제철소의 연주 설비 SKIMMER와 동일한 설비임)
|
|
제철소 |
EL-B;
제철소의 SCALE PIT, DOWN COILER처럼 인화성 위험이 내제한 곳의 방폭 전기 설비임)
|
|
제철소 Scale Pit
, Thickener |
EL- C;
상기 EL-A 및 B와 무관하게 기존의 콘트롤 패널을 이용하여 설치의 경우
공통 사항;
중간 탱크에 level indicator를 설치함.
24시간 자동 및 수정 운전 setting 장치 접속 |
|
상동 |
공통 사항;
중간 탱크에 level indicator를 설치함.
24시간 자동 및 수정 운전 setting 장치 접속 |
|
|
|
|
 |
| B. Economic Selection as per Different Purpose(용도별 최적 조합) |
|
|
 |
1. 제철소 SCALE PIT
E-150 extractor + ST-5 tank + GR6 STD( 1 기) + GR 6-RD( 2기) + ITD XL + CMF6
XD RL ( 70 M ) + EL-B + 전체 설비의 배관자 재 공급 및 라인 설치
|
|
|
|
 |
2. 제철소 THICKENER
E-150 extractor + ST-5 tank + GR6 STD( 3 기) + CMF 6 XD RL (50M)+ EL- A
|
|
|
|
 |
3. 제철소 SCALE PIT( 깊이가 14- 15 M 정도 되는 경우)
E-150 extractor + ST-5 Tank + GR 6 XD( 3 기) + ORA(1기)
+ IDT ?XL(1 기) + MOT-SD( 1기) + CMF 6 XD RL ( 65 M )
+ EL- B + PP- B( 2대)
|
|
|
|
 |
4. 제철소 DOWN COILER AREA
E-150 extractor + ST-5 Tank + ORA( 1 기 ) + IDT-XL ( 1기 )
+ MOT-SD( 1기 ) + CMF 6 XD RL ( 50 M ) + PP-B (2대) +
EL- B
|
|
|
|
 |
| C. SPARE PARTS |
| 1. Extractor drum |
 |
|
ITEM
|
DESCRIPTION
|
|
용 도
|
|
1
|
1. 이 roller는 2개가 한 짝을 이뤄서 서로 반대 방향으로 돌면서 MOP에서 기름을 짜 줍니다. 따라서, 소모품이기에 보증기간과 무관하게 아래의 경우에 심한 마모가 되기에 교환 해준다.
.a. 기름 스럿지에 날카로운 물질이 들어있거나
.b. 운전 부주의로 오랫동안 MOP없이 공 회전을 시키거나
.c. MOP에 달라붙은 기름이 DENSITY가 너무 큰 구리스형의 두꺼운 스럿지의 경우에 과 부하가 걸려서 MOP과 ROLLER사이에 자체 열에 의해서 열화 하는 현상
2. ROLLER는 아래 오른쪽의 그림에서 노란색 부분과 같이 기름 추출 HEAD내부에 장착됨
3. 이런 경우에는 육안 검사를 통하여 편심 마모가 되었거나 어느 한 부분이 과도하에 깊게 홈이 파진 경우는 교환해줘야 함,
4. Material : POLYURETHANE COATED MILD STEEL
( OD : 146 mm, ID: 101 mm , Height : 190mm)
|
|
Mop에 흡수 되어 올라 오는 Oil를 짜주는 역할
(Drum의 실제 모습).
|
|
|
|
| 2. Level Sensor |
 |
|
ITEM
|
DESCRIPTION
|
|
용 도
|
|
2
|
1.Mortor에 의한 Paddle 회전으로 Hopper내의 측정물을 감지 하는 Level Sensor이다.
회전식 Bin Leveler는 Hopper 내에 삽입되어 Paddle이 천천히 회전운동을 하면서 Paddle 주위에 분체가 없을 때에는 회전운동을 하지만, 분체가 있게 되면 회전운동이 정지되어 분체의 유무를 감지하여 접점을 출력해준다.
.1. 측정대상(Application) : 분체 입체, 괴체(개방 Hopper)
.2. 접점용량(contact Rating) : 3A, 250V AC(1 SPDT)
.3. 전원(Power Supply) : 110/220V AC +-10%, 50/60Hz
.4. Motor 회전수(Motor Speed) : 0.8rpm(50Hz) or 1rpm(60Hz)
.5. 검출 Torque(Sensing Torque) : About 1.2kgf 츠
.6. 소비전력(Power Consumption) : 3.5VA
.7. 온도(Temp.) : 검출부(Sensor) -10 ~+ 80℃(150℃ Max)
.8. 구조(Enclosure) : 방적구조 (Weather Proof)
.9. 취부방법(Mounting) : PF 1"(std.) & Flange
.10. 전선구 (Cable Gland) : PF 3/4"
|
|
보조 탱크에 설치
보조탱크에 일정량의 차면 센서가 감지 하여 main 탱크로 이송을 신호를 보내 에어 펌플 가동시키는 역할 |
|
| 3. Mortor |
 |
|
ITEM
|
DESCRIPTION
|
|
용 도
|
|
3
|
1.General Data
..1. Frame of size : 71M
..2. type of construction : IM B5
..3. Weigh in kg : 6 kg
..4. Frame material : Aluminum
..5. degree of protection : IP55
..6. Method of cooling : IC411
..7. Vibration class : N(standard)
..8. Insulation : F, utilized to B
..9. Direction of rotation : Bi-directional
2 .Electrical Data
..1. Rated motor voltage: 230 VD/400 VY, 50Hz 460VY, 60Hz
..2. Frequency : 50Hz , 60Hz
..3. Rated Motor power : 0.37kW , 0.43kW
..4. Rated motor speed : 1370m-1 1670m-1
..5. Rate mortor torque : 2.5 Nm , 2.5Nm
|
|
Skimmer 의 메인 모터
메인 모터가 작동하여 Skimming system 전체를 구동하는 역할을 함. |
|
| 4. Speed Reducer |
 |
|
ITEM
|
DESCRIPTION
|
|
용 도
|
|
4
|
1. 통상 감속기 라고 하며, 모터와 한 짝을 이뤄서 SKIMMER가 최상의 조건에서 부하, 운전, 피로도 등을 고려한 최적의 설계 하에 설계된 감속기 임. 항상 모터 공급 시에 가장 적합한 감속기의 선택이 안전 운전의 정도임.
2. 모터 및 감속기의 선정은 OIL SKIMMER공급사의 가장 중요한 부속 기기 선택의 하나이기에 기기의 성능 및 보증을 위해서는 반듯이 SKIMMER공급사의 사양에 따름.
3. 입력축 중공축, 출력축 중공축인 Worm 기어 감속기
4. Frame material : Aluminum
5. 감속비 : 1/30
|
|
GEAR BOX(감속기) |
|
 |
|
| 5. MOP Sewing Kit |
 |
|
ITEM
|
DESCRIPTION
|
|
용 도
|
|
5
|
Part No. Sewing Kit – SRC057
1. MOP 수선용 가죽 Sailmaker palm 장갑.( No. 2 EA)
2. 몹 수선용 poolyester Sail twine spool(24m) (No. 4 EA)
White wax coated.
3. 몹 수선용 Sailmaker needle (No. 4EA)
Forged cast steel with 3.25mm diameter, 89mm length
|
|
MOP 바늘질 세트 |
| |
|
| D. OTHER TYPES OF MOP SKIMMER INSTALLATION( 타 공장의 설치 사례) |
| 1. 영국의 발전소 설치 사례; 설치 전과 설치후의 환경이 달라짐, 왼쪽은 설치 전, 오른쪽은 설치 후의 사 진임. |
|
|
 |
 |
|
|
MOP 설치전
|
MOP 설치후
|
|
|
 |
2. 독일의 버터 공장에서 버터만을 회수하는 광경
... (밖의 MAIN BUTTER 저장 탱크가 보임)
... 우유 공장에서 딸기 우유 공정에서 바나나 공정으로 바꾸는
... 단계에서 나오는 기름 수거등에 동일 적용함 |
 |
|
|
 |
| 3. 정유 공장의 PIT 에서 MOP을 배치하여 기름을 재거 및 회수하는 장치임 |
 |
 |
| |
부유물과 MOP 운전 무관한 설치 사례
|
|
|
 |
| 4. 제철소 후판 부의 THICKENER 및 CLARIFIER 등에 설치 사례임 |
 |
 |
|
|
 |
| 5. 제철소 SCALE PIT 설치 및 호수에 MOP 설치 사례 |
 |
 |
|
|
 |
| 6. PIPE FACTORY PIT 설치 사례 및 제철소 CLARIFIER 설치 사례 |
 |
 |
|
|
 |
| 7. LAGOON설치사례(동일) 및 부유물과 무관한 MOP운전 상태 |
 |
 |
|
|
 |
| 8. TYPICAL SCALE PIT MOP SKIMMER SYSTEM 및 AEROSPACE의 PIT에 설치 사례 |
 |
 |
|
|
 |
| 9. 주택단지의 학교 및 소방소 부근의 PIT 설치 및 호안에 임시 이동용 SKIMMER 사용 |
 |
 |
|
|
 |
| 10. 차량 이동 mop SKIMMER 및 주택가 기름 유출분 회수 장면 |
 |
 |
|
|
 |
| 11. OCEAN MOP SKIMMER SYSTEM 견본 및 시추공 원유 회수시 MOP SKIMMER 적용 사진 |
 |
 |
|
|
 |
| 12. 파이프 공장 PIT 적용 및 공항 PIT적용 사례 |
 |
 |
|
|
 |
|
|
| |
|
|